OIL CONTROL成立于1974年(现被博士力士乐收购),在意大利工业领域运动控制阀移动机械市场占有很高的市场容量,且业绩在汽车和工程机械行业迅速增长。今天的OIL CONTROL公司,已是移动设备与机械领域的阀门优质供应商,可以提供1600种不同类型的阀门生产与设计。
REXROTH OIL CONTROL的主要产品有:换向阀,止回阀,电磁阀,平衡阀,球阀,插装阀,单向阀,溢流阀,行程阀,驱动阀,安全阀,阀组,阀块,电磁阀线圈,流量计等等。
REXROTH OIL CONTROL阀A-VRFC3C-VEI-VS系列技术参数
Technical data | |
Max. operating pressure | 350 bar (5000 psi) |
Max. priority line pressure: | limited by relief valve |
Back pressure at T port | max. 1.5 bar (20 psi) |
Drain from T, with solenoid valve non-energized | up to 1.5 l/min. (0.4 gpm) |
Manifold material | Zinc plated steel |
Fluid | Mineral oil (HL, HLP) according to DIN 51524 |
Fluid temperature range | -20 °C to 80 (-4 to 176 °F) |
Viscosity range | 20 to 380 mm2/s (cSt) |
Recommended degree of fluid contamination | Class 19/17/14 according to ISO 4406 |
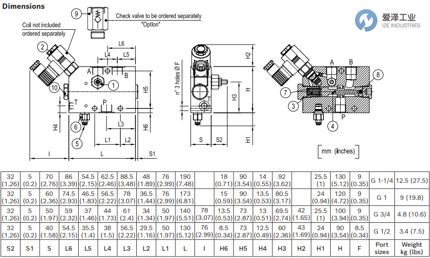
REXROTH OIL CONTROL阀A-VRFC3C-VEI-VS系列技术尺寸

REXROTH OIL CONTROL阀A-VRFC3C-VEI-VS系列选型

REXROTH OIL CONTROL阀A-VRFC3C-VEI-VS系列其他常用型号:
REXROTH OIL CONTROL 0M432080032000D R930067636
REXROTH OIL CONTROL 0M432080033500D R930067646
REXROTH OIL CONTROL 0M432080042000E R930067629
REXROTH OIL CONTROL 0M432080043500A R930067635
REXROTH OIL CONTROL 0M432080052000E R930069295
REXROTH OIL CONTROL 0M432080053500B R930069296
REXROTH OIL CONTROL 0M432080062000E R930069297
REXROTH OIL CONTROL 0M432080063500A R930069298
REXROTH OIL CONTROL VALVE NEW + ORIGINAL+ ONE YEAR WARRANTY
爱泽工业成立于2010年,定位于向制造工业提供高端制造技术和设备。代理经营世界优质的电气自动化、机械与传动、流体控制、仪器仪表、工具等产品。作为电气,液压以及气动解决方案的合作伙伴,我们利用我们的全球协作团队,为客户提供先进解决方案,市场知识以及相关增值服务来帮助优化客户的工作效率,提高可靠性和安全性,致力于成为工业产品和解决方案的优质渠道。
如果有任何关于REXROTH OIL CONTROL阀0M432080032000D R930067636的疑问,请随时与我们沟通(021-31006702)。我们将尽全力解决您的问题。
If you have any question for REXROTH OIL CONTROL products, please feel free to dial 0086-21-3100 6702/ send request email to [email protected] / browse our website:www.ize-industries.com.

沪公网安备31011002006738号