GGB一直通过创新和行业知识来推进表面工程解决方案。
GGB产品包括:
聚合物涂层
金属复合轴承
工程塑料轴承
强化纤维轴承
金属与双金属轴承
轴承组件
| |
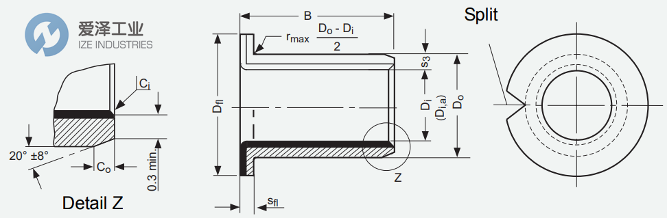
Part No. | BB3016DU |
Nominal Diameter | Di: 30 |
Wall thickness s3 | min. 1.970 |
Flange thickness sfl | min. 1.80 |
Flange-∅ Dfl | min. 41.50 |
Width B | min. 15.75 |
Shaft-∅ DJ [f7] | min. 29.959 |
Housing−∅ DH [H7] | min. 34.000 |
Bush-∅ Di,a Ass. in H6/H7 housing | min. 29.990 |
Clearance CD | min. 0.010 |
GGB法兰衬套DU系列其他常用型号:
GGB BB2022DU
GGB BB2512DU
GGB BB2517DU
GGB BB2522DU
GGB BB3016DU
GGB BB3026DU
GGB BB3516DU
GGB BB3526DU
GGB BB4016DU
GGB BB4026DU
GGB BB4516DU
GGB BB4526DU
GGB Flanged Bushes NEW + ORIGINAL+ ONE YEAR WARRANTY
爱泽工业成立于2010年,定位于向制造工业提供高端制造技术和设备。代理经营世界优质的电气自动化、机械与传动、流体控制、仪器仪表、工具等产品。作为电气,液压以及气动解决方案的合作伙伴,我们利用我们的全球协作团队,为客户提供先进解决方案,市场知识以及相关增值服务来帮助优化客户的工作效率,提高可靠性和安全性,致力于成为工业产品和解决方案的优质渠道。
如果有任何关于GGB法兰衬套BB3016DU的疑问,请随时与我们沟通(021-31006702)。我们将尽全力解决您的问题。
If you have any question for GGB products, please feel free to dial 0086-21-3100 6702/ send request email to [email protected] / browse our website:www.ize-industries.com.
GGB法兰衬套BB3016DU技术规格

沪公网安备31011002006738号