GEWEFA成立于1990年,之后成为英国领先的手持设备和相关设备的独立供应商。作为发展战略的一部分,GEWEFA与相关组织建立了牢固的联系,与其持有专门技术的工具相连,因此,GEWEFA能够为客户提供各种设备。
| |
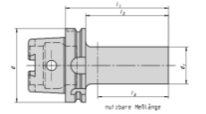
Code No. | 93.09.016.002 |
HSK-d | HSK-A 63 |
d1 | 40 |
l1 | 346 |
l2 | 320 |
l3 | 300 |
GEWEFA衬套其他常用型号:
GEWEFA 93.09.016.004
GEWEFA 93.09.016.005
GEWEFA 93.09.016.012
GEWEFA 93.09.016.008
GEWEFA 93.09.016.001
GEWEFA 93.09.016.009
GEWEFA 93.09.016.002
GEWEFA 93.09.016.016
GEWEFA 93.09.016.007
GEWEFA Cylindrical Bushes NEW + ORIGINAL+ ONE YEAR WARRANTY
爱泽工业成立于2010年,定位于向制造工业提供高端制造技术和设备。代理经营世界优质的电气自动化、机械与传动、流体控制、仪器仪表、工具等产品。作为电气,液压以及气动解决方案的合作伙伴,我们利用我们的全球协作团队,为客户提供先进解决方案,市场知识以及相关增值服务来帮助优化客户的工作效率,提高可靠性和安全性,致力于成为工业产品和解决方案的优质渠道。
如果有任何关于GEWEFA衬套93.09.016.002的疑问,请随时与我们沟通(021-31006702)。我们将尽全力解决您的问题。
If you have any question for GEWEFA products, please feel free to dial 0086-21-3100 6702/ send request email to [email protected] / browse our website:www.ize-industries.com.
GEWEFA衬套93.09.016.002技术规格

沪公网安备31011002006738号