OIL CONTROL成立于1974年(现被博士力士乐收购),在意大利工业领域运动控制阀移动机械市场占有很高的市场容量,且业绩在汽车和工程机械行业迅速增长。今天的OIL CONTROL公司,已是移动设备与机械领域的阀门优质供应商,可以提供1600种不同类型的阀门生产与设计。
REXROTH OIL CONTROL的主要产品有:换向阀,止回阀,电磁阀,平衡阀,球阀,插装阀,单向阀,溢流阀,行程阀,驱动阀,安全阀,阀组,阀块,电磁阀线圈,流量计等等
REXROTH阀OC1009118 R901100747技术参数
Ordering code | OC1009118 R901100747 |
Material | Aluminium |
Ports 1-2-3-4 | G 3/8 |
Weight kg (lbs) | 0.41 (0.90) |
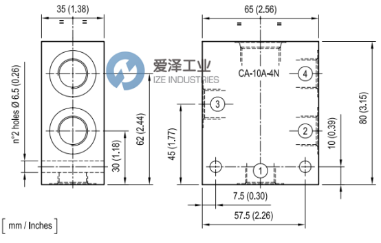
REXROTH阀CA-10A-4N系列技术尺寸
REXROTH阀CA-10A-4N系列选型
REXROTH阀CA-10A-4N系列其他常用型号:
REXROTH OC1009118 R901100747
REXROTH OC1009117 R901100734
REXROTH OC1009239 R934000200
REXROTH OC1009238 R934000199
REXROTH VALVE NEW + ORIGINAL+ ONE YEAR WARRANTY
爱泽工业成立于2010年,定位于向先进制造工业提供高端制造技术和设备。代理经营世界先进的电气自动化、机械与传动、流体控制、仪器仪表、工具等产品。作为电气,液压以及气动解决方案的合作伙伴,我们利用我们的全球协作团队,为客户提供先进解决方案,市场知识以及相关增值服务来帮助优化客户的工作效率,提高可靠性和安全性,致力于成为工业产品和解决方案的优质渠道。
如果有任何关于REXROTH阀OC1009118 R901100747的疑问,请随时与我们沟通(021-31006702)。我们将尽全力解决您的问题。
If you have any question for REXROTH products, please feel free to dial 0086-21-3100 6702/ send request email to [email protected] / browse our website: www.ize-industries.com.
REXROTH阀OC1009118 R901100747技术参数及选型

沪公网安备31011002006738号