WATTSUD于1980年成立,旨在设计、生产和销售树脂绝缘的低压和中压CT和VT (高达40kV),致力于开发、设计和制造能源测量仪器。
Technical notes |
Dry insulation in resin |
Indoor installation |
Rated secondary current 5 A or 1 A |
Maximum rated short circuit thermal current: 50kAx1s |
Frequency 50Hz or 60Hz |
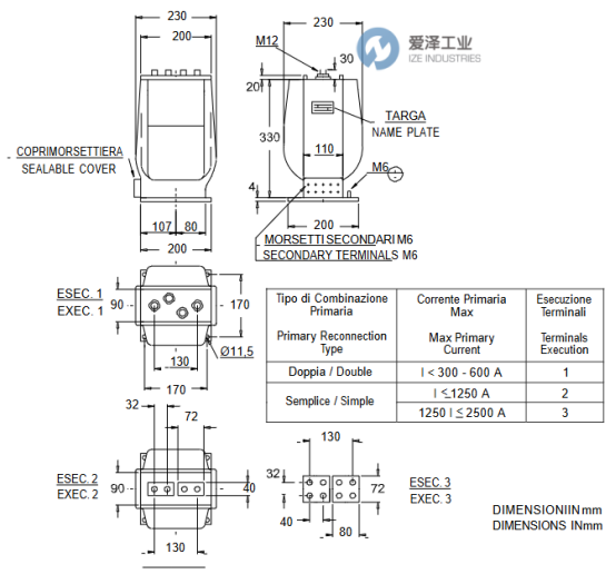
Up to 300-600 A, ratios obtained by primary reconnection |
Up to 3000 A, multiratio obtained by secondary reconnection |
Different characteristics on request |
CT according to IEC Standard; also to IEEE Standards on request |
WATTSUD变压器IWR30Z规格尺寸

WATTSUD变压器其他常用型号:
WATTSUD IWR30Z
WATTSUD IOR20ZR
WATTSUD IWR30K
WATTSUD IWR30W
WATTSUD IWR30S
WATTSUD IWR30WK
WATTSUD IWR10W
WATTSUD IWR10K
WATTSUD transformer NEW + ORIGINAL+ ONE YEAR WARRANTY
爱泽工业成立于2010年,定位于向先进制造工业提供高端制造技术和设备。代理经营世界先进的电气自动化、机械与传动、流体控制、仪器仪表、工具等产品。作为电气,液压以及气动解决方案的合作伙伴,我们利用我们的全球协作团队,为客户提供先进解决方案,市场知识以及相关增值服务来帮助优化客户的工作效率,提高可靠性和安全性,致力于成为工业产品和解决方案的优质渠道。
如果有任何关于WATTSUD变压器IWR30Z的疑问,请随时与我们沟通(021-31006702)。我们将尽全力解决您的问题。
If you have any question for WATTSUD products, please feel free to dial 0086-21-3100 6702/ send request email to [email protected] / browse our website: www.ize-industries.com.
WATTSUD变压器IWR30Z技术参数及规格尺寸

沪公网安备31011002006738号