GUTEKUNST弹簧T-18661L技术参数
| |||
Technical Data | |||
Formula symbols | Value | Unit | Description |
Material | EN 10270-3-1.4310 | - | Type of material . |
Coiling direction | Left | - | Coiling direction |
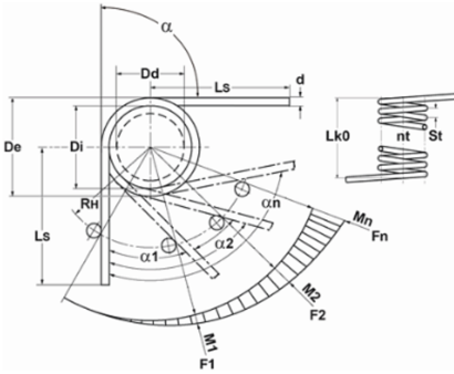
Leg position | 270 | degree | L eg position when relaxed |
alpha1 | degree | prestressed rotational angle | |
F1 | N | prestressed spring force | |
M1 | Nmm | torque by angle alpha1 | |
alpha2 | degree | loaded rotational angle | |
F2 | N | loaded spring force | |
M2 | Nmm | torque by angle alpha2 | |
alphah | degree | working rotational angle | |
d | 1.25 | mm | Wire diameter |
Di | 6.75 | mm | inner coil diameter |
Dd | mm | diameter of mandrel | |
L .sH | mm | leg length of the lever leg | |
L _sR | mm | leg length of the recumbent leg | |
L k0 | 10.94 | nm | length of spring body |
Ls | 50 | mm | leg length |
RH | mm | leverage | |
Mntol | 55.26 | Nmm | (+/-) Tolerance maximum torque |
Mn | 212.15 | Nmm | maximum torque |
alphan | 106.89 | degree | maximum rotational angle |
nt | 7.75 | pc. | total number of coils |
Ddmax | 6 | mm | maximum possible mandrel diameter |
Ddmin | 5.4 | mm | Min. possible mandrel diameter |
Ditol | 0.19 | mm | (+/-) tolerance of inner coil diameter |
Weight | 2.8518 | g | weight of one spring |
Price aroup | J | - | price group |
GUTEKUNST弹簧其他常用型号:
GUTEKUNST T-18702L
GUTEKUNST T-18702R
GUTEKUNST T-18706L
GUTEKUNST T-18706R
GUTEKUNST T-18661L
GUTEKUNST T-18710R
GUTEKUNST T-18727L
GUTEKUNST T-18727R
GUTEKUNST T-18731L
GUTEKUNST T-18731R
GUTEKUNST Springs NEW + ORIGINAL+ ONE YEAR WARRANTY
爱泽工业成立于2010年,定位于向制造工业提供高端制造技术和设备。代理经营世界优质的电气自动化、机械与传动、流体控制、仪器仪表、工具等产品。作为电气,液压以及气动解决方案的合作伙伴,我们利用我们的全球协作团队,为客户提供先进解决方案,市场知识以及相关增值服务来帮助优化客户的工作效率,提高可靠性和安全性,致力于成为工业产品和解决方案的优质渠道。
如果有任何关于GUTEKUNST弹簧T-18661L的疑问,请随时与我们沟通(021-31006702)。我们将尽全力解决您的问题。
If you have any question for GUTEKUNST products, please feel free to dial 0086-21-3100 6702/ send request email to [email protected] / browse our website:www.ize-industries.com.
GUTEKUNST弹簧T-18661L技术参数及介绍











沪公网安备31011002006738号