MACKAY轴承M561701技术参数
| |
Part No. | M561701 |
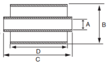
NOMINAL DIMENSIONS | |
A | 42 |
B | 78 |
C | 86 |
D | 80 |
RADIAL | |
STATIC LOAD Kg | 1000 |
DEF mm | 0.5 |
TORSIONAL MAX ANGLE DEGREES | 10 |
AXIAL | |
STATIC LOAD KG | 200 |
DEF mm | 1.6 |
CONICAL MAX ANGLE DEGREES | 1 |
WEIGHT Kg | 1 |
MACKAY轴承介绍
MACKAY轴承设计用于承受扭转运动以及轴向和径向载荷。它们用于车辆悬架、枢轴
臂和所有类型的机械联动装置,允许通过橡胶在剪切中的偏转进行运动。
MACKAY Flexible Bearings are designed to accomodate torsional movements,and axial and radial loads. They are used for vehicle suspensions,pivot arms and all types of mechanical linkage,permitting movement through the deflection of rubber in shear.
MACKAY轴承M系列选型


MACKAY轴承M系列其他常用型号:
MACKAY M561312
MACKAY M561384
MACKAY M561335
MACKAY M561404
MACKAY M561411
MACKAY M561400
MACKAY M561409
MACKAY M561503
MACKAY M561701
MACKAY M561702
MACKAY BEARINGS NEW + ORIGINAL+ ONE YEAR WARRANTY
爱泽工业成立于2010年,定位于向制造工业提供高端制造技术和设备。代理经营世界优质的电气自动化、机械与传动、流体控制、仪器仪表、工具等产品。作为电气,液压以及气动解决方案的合作伙伴,我们利用我们的全球协作团队,为客户提供先进解决方案,市场知识以及相关增值服务来帮助优化客户的工作效率,提高可靠性和安全性,致力于成为工业产品和解决方案的优质渠道。
如果有任何关于MACKAY轴承M561701的疑问,请随时与我们沟通(021-31006702)。我们将尽全力解决您的问题。
If you have any question for MACKAY products, please feel free to dial 0086-21-3100 6702/ send request email to [email protected] / browse our website:www.ize-industries.com.
MACKAY轴承M561701技术规格














沪公网安备31011002006738号