CYTEC快速接头QCF14-N技术参数
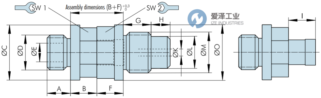
Female connector |
| |
Order-no. | QCF14-N | |
F | 8 | |
G | 20 | |
H | 17 | |
ØK | 11 | |
ØL | 24 | |
ØM | M 27x2,0 | |
ØO | 32 | |
SW2 | 28 | |
max. pressure | 80 bar | |
max. flow [l/min] | 54 | |
Zhydr [mm2] | 366 |
CYTEC快速接头QC系列介绍
由于 CyTab 在锁定位置是自锁的,因此能量可以解耦。 这意味着无需安装旋转传动引入件或其他结构。 CyFit 快速耦合系统是一种可靠、精确的能量耦合和解耦系统,可将泄漏造成的损失降低。 它具有非常紧凑的结构,同时保证极低的流阻和高流通速度。 由于集成的偏移和角度补偿系统,可以补偿连接过程中的生产公差和不准确性(见对面)。 这通常意味着不需要额外的刀架螺纹、预定心装置和导轨。
此外,特殊的填料布置可实现几乎防漏的连接和分离。避免了滞留的空气和杂质。
Because the CyTab is self-locking in the locked position, the energy can be decoupled. This means that it is not necessary to install rotary transmission leadthroughs or other expensive constructions. A reliable and precise system for energy coupling and decoupling with the lowest possible losses through leaks is the CyFit quickaction coupling system. This has a very compact construction and at the same time it guarantees extremely low flow-resistance with high through-flow speeds. Thanks to the integrated offset and angle compensation system it is possible to compensate for production tolerances and inaccuracies during joining (see opposite). This usually means no need for additional tool holder screw threads, precentring devices and guides.
In addition, a special packing arrangement enables practically leakproof coupling and separating. Trapped air and impurities are avoided.
CYTEC快速接头QC系列其他常用型号:
CYTEC QC/M06-N
CYTEC QC/M08-N
CYTEC QC/M10-N
CYTEC QC/M12-N
CYTEC QCF14-N
CYTEC QC/M16-N
CYTEC QC/M06-H
CYTEC QC/M08-H
CYTEC Quick-action couplers NEW + ORIGINAL+ ONE YEAR WARRANTY
爱泽工业成立于2010年,定位于向制造工业提供高端制造技术和设备。代理经营世界优质的电气自动化、机械与传动、流体控制、仪器仪表、工具等产品。作为电气,液压以及气动解决方案的合作伙伴,我们利用我们的全球协作团队,为客户提供先进解决方案,市场知识以及相关增值服务来帮助优化客户的工作效率,提高可靠性和安全性,致力于成为工业产品和解决方案的优质渠道。
如果有任何关于CYTEC快速接头QCF14-N的疑问,请随时与我们沟通(021-31006702)。我们将尽全力解决您的问题。
If you have any question for CYTEC products, please feel free to dial 0086-21-3100 6702/ send request email to [email protected] / browse our website:www.ize-industries.com.
CYTEC快速接头QCF14-N技术参数及介绍

















沪公网安备31011002006738号